Snap On Cmyk Logo 55677ebf1eeaf

Snap-on Diagnostics

420 Barclay Blvd
Lincolnshire, IL 60069
800-424-7226

More Info on Snap-on Diagnostics

Snap On Cmyk Logo 55677ebf1eeaf

Snap-on Diagnostics is part of Snap-on Incorporated, leading global innovator, manufacturer and marketer of tool, diagnostic and equipment solutions forprofessional tool users. Products are sold through its franchised dealer van, company-direct sales and distributor channels, as well as over the Internet. Founded in 1920, Snap-on is headquartered in Kenosha, Wisconsin.

Products

aspire_images_80
The MT2600 from Snap-on is a versatile diagnostic tool that provides intuitive access to diagnostic capabilities, and OEM-specific coverage for 50 domestic, Asian, and European...
Nov. 4, 2025
Photo courtesy of Snap-on
Snap-on TRITON
The Snap-on TRITON features a wireless connection, a sleek, streamlined design, rugged grip handles, and a lightweight body. Fast-Track troubleshooting allows users to see how...
June 10, 2025
Photo courtesy of Snap-on Diagnostics
snapon_thermal
The Snap-on Diagnostic Thermal Imager+ uses infrared technology to reveal heat caused by friction, electrical resistance, pressure changes, and more anywhere under the hood or...
Jan. 14, 2025
untitled_design__20241014t112208
The Snap-on Fall Diagnostic Software Release is designed to benefit users with access to an array of resources, including systems, tips, techniques, tests, and guided workflows...
Oct. 14, 2024
APOLLO+
APOLLO+ from Snap-on is a diagnostic assistant equipped with guidance and industry-leading capabilities for many different repairs. APOLLO+ features Fast-Track troubleshooting...
Sept. 10, 2024
Photo courtesy of Snap-on
Detroit Diesel DDEC Suite v5.0, No. EEHD844015
The Detroit Diesel DDEC Suite v5.0, No. EEHD844015, from Snap-on, supports DDEC engines from 1987 to present, including DDEC II, III, IV, V, 6, 10, 13, 16, and 20, MBE 2001-2006...
March 26, 2024
Snap-on Fall 2023 Software Release
The Snap-on Fall 2023 Software Release includes 2023 model year updates for Genesis, GM, Hyundai, Infinity, Land Rover, Lexus, Mazda, Mitsubishi, Nissan, Subaru, Toyota, and Volvo...
Oct. 12, 2023
Photo courtesy of Snap-on
snap-on cummins software
The Cummins Engine V5 Software Release, No. EEHD843003, from Snap-on, makes it easier for technicians to manage regen, adjust speed parameters/idle adjustments, test emission ...
Sept. 1, 2023
Image courtesy of Snap-on
Vehicle Diagnostic Tool Software Coverage Update
The latest Snap-on Vehicle Diagnostic Tool Software Coverage Update includes increased European coverage to help professional technicians. The European coverage in the update ...
Aug. 11, 2023
Photo courtesy of Snap-on Diagnostics
Snap-on Diagnostics SOLUS+
Snap-on has redesigned and upgraded its SOLUS platform. The tool includes SureTrack verified repair information and comprehensive coverage for 49 domestic, Asian, and European...
May 26, 2023

Press Releases

The pre-charge function is to limit the initial supply of current from the high voltage battery to the inverter.
This Toyota Prius had malfunction warning lights illuminated and two faults relating to the high voltage system stored.
May 5, 2022
Snap-on scan tool working on a Genesis vehicle
With the latest release, innovative diagnostic tool capabilities can drive technician confidence.
April 19, 2022
Snap On Diagnostics Software Upgrade Image
In addition to new coverage and feature, the software delivers significant expert information enhancements.
Oct. 4, 2021
21 2 Press Release Image 2
Latest upgrade includes new and significantly enhanced general repair, collision and safety systems coverage
July 28, 2021
21 2 Press Release Image 2
With the latest Snap-on software release, professional technicians get the full potential of their diagnostic platform to increase their productivity and overcome even the toughest...
April 7, 2021
There is a software upgrade plan to fit every need, guaranteeing the technician’s tool will always be updated to diagnose problems quickly
March 29, 2021
Snap On Diagnostics Tool Matcher Site
Professional technicians can use the tool matcher feature to find the best Fast-Track Intelligent Diagnostics-enabled platform for their specific needs.
March 15, 2021
Triton D10 Side
The Snap-on TRITON-D10 allows technicians to dig deep into the systems of a vehicle and evaluate performance with comparative data to make accurate and efficient decisions on ...
March 3, 2021
Ssr Bmw Battery Thumb
Professional technicians can now view Snap-on Service Resets and Relearns quick tip videos on its website.
Jan. 25, 2021
Snap On
Snap-on has added eight Training Solutions videos to its website to help professional technicians utilize its new APOLLO-D9 diagnostic tool.
Dec. 4, 2020

Videos

Toyota® EVAP Purge Solenoid Test | Service Resets & Relearns
In this video, Snap-on uses the ZEUS+ to test the EVAP purge valve on a Toyota Camry.
Oct. 21, 2025
Hqdefault 650b356017055
In this video, Snap-on shows how to adjust the emissivity setting on a Snap-on Diagnostic Thermal Imager to get the best reading.
Sept. 20, 2023
Maxresdefault 65088154523a4
In this video, Snap-on shares the advantages of using split screen capabilities for scope and functional tests.
Sept. 18, 2023
Maxresdefault 636130fbc7a34
Sponsored
Sponsored by Snap-on Diagnostics: Join Pete Meier to see how performing tests, such as the in-cylinder pressure test — which locates the source of sealing/compression issues and...
Nov. 10, 2022
2022 07 techtip 8 p0420 snapon
The Catalyst Efficiency DTCs – the P0420 and P0430 – are the most common DTC techs face in the shop. How do you approach this repair?
July 15, 2022
April Tech Tip Thumb
One works but the other makes you money!
April 19, 2022
Maxresdefault 620bdb166da8d
In this video, Snap-on introduces TRITON-D10, their latest addition to their Fast-Track Intelligent Diagnostics Family.
Feb. 15, 2021
Maxresdefault 600ee8027ccd6
See how to perform a reset on a Mercedes-Benz after a disc brake pad replacement. It doesn't get any easier or faster than with exclusive Service Resets & Relearns, only available...
Jan. 25, 2021
Ss Connect Logo Final 300
In this video, Snap-on demonstrates how to install scan tool software using ShopStream Connect.
June 10, 2020
Eeth311 Side With Screen Diagnostic Thermal Laser
In this video, Snap-on introduces the Thermal Laser, No. EETH311A.
Jan. 22, 2020

Blogs

lin_voltage_differential
In this blog from Snap-on, you'll learn about the Local Interconnect Network (LIN) operates, all to help you perform more accurate services.
Jan. 8, 2026
aspire_images__20251111t170646
In this blog, Snap-on discusses all things ADAS recalibration.
Nov. 11, 2025
aspire_images_60
Snap-on answers the most asked questions that arise during EVAP testing and system operations.
Oct. 21, 2025
untitled_design_8
Snap-on Diagnostic National Trainer Phil Cooper discusses the necessity of scan tools in vehicle maintenance.
Sept. 23, 2025
Image from Snap-on
aspire_images_11
In this blog from Snap-on, learn about DPF system design, its history, regeneration strategies, procedures, fault handling, and more.
Aug. 22, 2025
Photo from Snap-on
scannervsscopediagnosticswitb
Snap-on's Keith Wray discusses the difference between scanner and scope diagnostics.
June 23, 2025
Photo from Adobe Stock
Snap-on: Hybrid vehicles are not new
Snap-on's Keith Wray, national trainer, covers all things hybrid vehicles in this guest blog.
May 22, 2025
Back to Basics with Keith Wray
Snap-on's Keith Wray discusses why it's important to check the "basics" of a vehicle before getting to the root problem.
April 24, 2025
Photo courtesy of Snap-on Diagnostics
Vehicle Steering Systems
Keith Wray, national training manager at Snap-on Diagnostics, talks all about variable valve timing (VVT).
March 21, 2025
product_images_4
Snap-on Diagnostic National Trainer Keith Wray covers the ins and outs of vehicle steering systems.
Feb. 21, 2025

News

untitled_design_27
Twenty training modules have been added to Snap-on Diagnostics' Youtube channel, focused primarily on the MT2600.
Dec. 10, 2025
aspire_images__20251120t140556
The software release features guided component tests, new codes, tips, and more.
Nov. 20, 2025
Photo courtesy of Snap-on
Limited edition diagnostic platforms from Snap-on
Colors include the TRITON in gold, APOLLO+ in silver, and the SOLUS+ in bronze.
Aug. 26, 2025
Photo courtesy of Snap-on
Snap-on EPIQ giveaway
Customers who buy one of Snap-on diagnostic scan tools before July 26 will be entered in the drawing.
June 5, 2025
Photo courtesy of Snap-on Diagnostics
product_images__20250516t170528
TRITON is designed to increase technician efficiency throughout the repair process.
May 16, 2025
product_images_100
For vehicles with the secure gateway module, access to certain diagnostic functions requires registration and authentication through an approved device.
April 22, 2025
Photo from Snap-on
Snap-on spring software release
The latest release aims to help technicians improve repair accuracy and efficiency.
April 1, 2025
snapon
One grand prize winner will be selected from each region to receive a $1,000 tool certificate from Snap-on.
Feb. 24, 2025
Diesel Diagnostics
In this blog from Snap-on, Keith Wray (national training manager), covers diesel diagnostics.
Jan. 24, 2025
Photo courtesy of Snap-on
snapon
Snap-on is offering its spring '25 update for free for eligible customers through March 2025.
Jan. 22, 2025

Articles

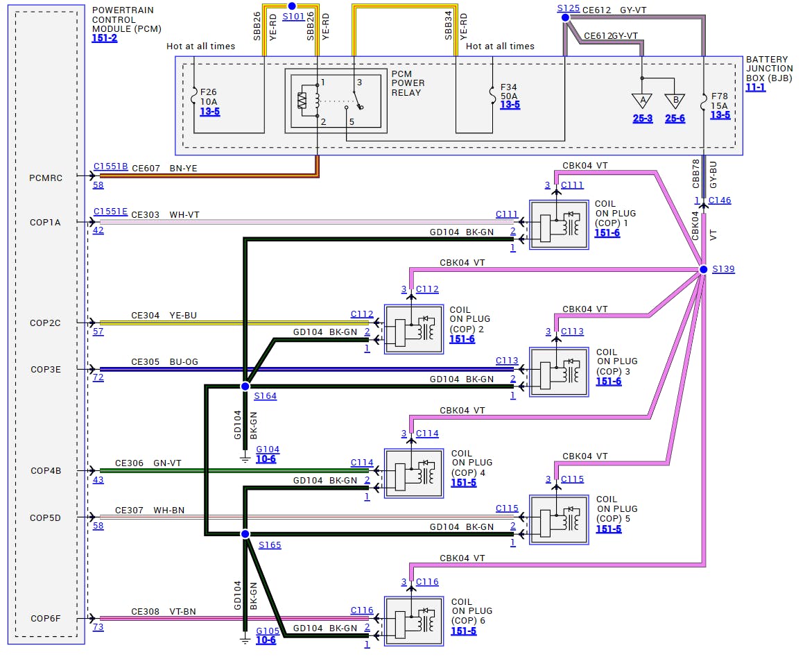
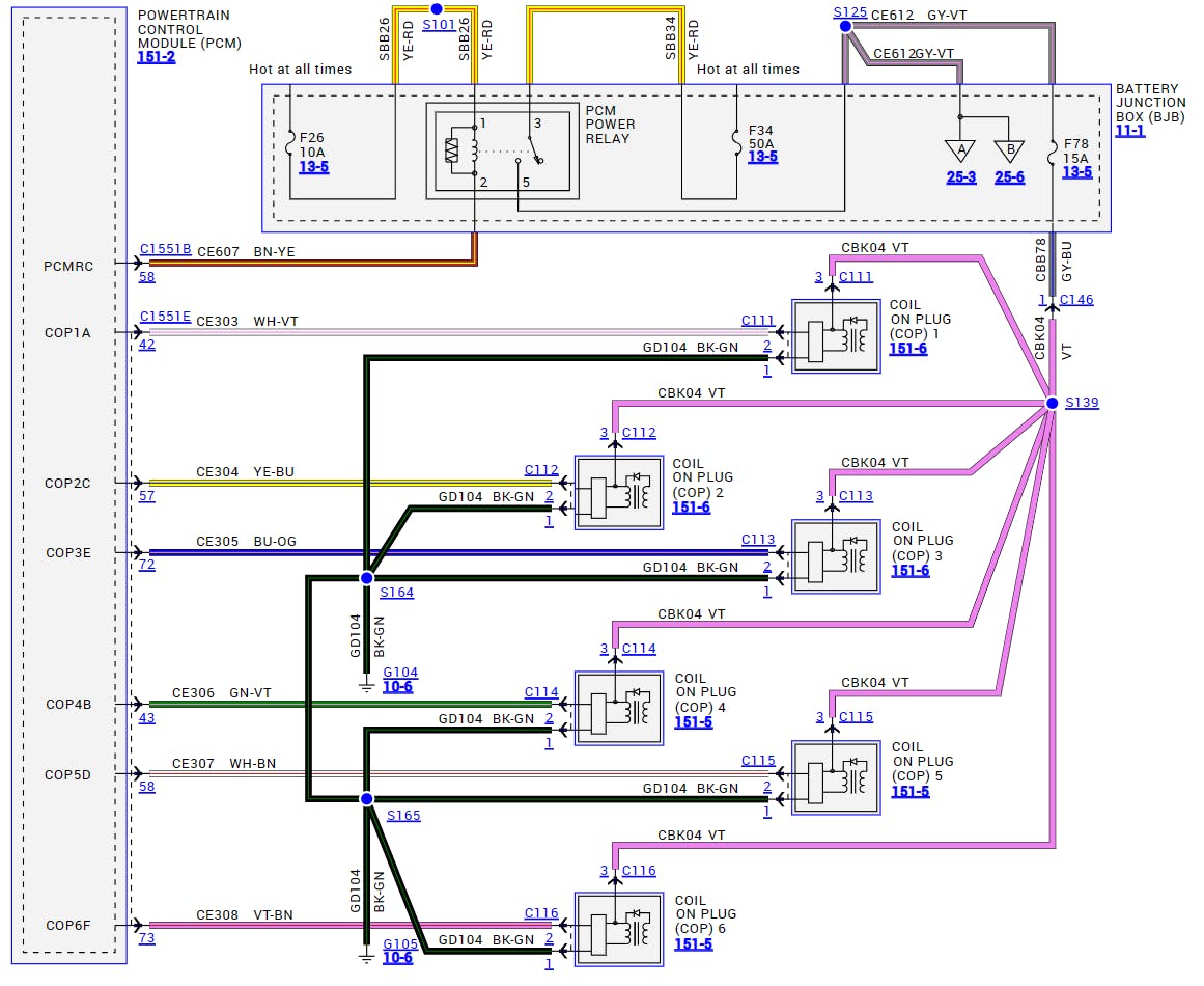
Clay Cowell
This three-wire COP ignition system is a common configuration among gasoline internal combustion engines today. Being familiar with their functionality streamlines the diagnostic process.
Many times driveability symptoms surface without associated DTCs.
Aug. 1, 2024
Photo courtesy of Snap-on
Security Link
In this case study, Keith Wray from Snap-on shows how understanding Security Link will prevent diagnosing today's vehicles from becoming a horror movie.
Jan. 25, 2024
Photo 194172408 © Albertshakirov | Dreamstime.com
scan tool
Looking for some new diagnostic tools and equipment for the new year? Check out the most clicked-on diagnostic tools and updates on VehicleServicePros.com from the fourth quarter...
Jan. 4, 2024
AdobeStock
Adobe Stock 217703398
Snap-on Diagnostics National Trainer Jason Gabrenas hosts industry training sessions every Tuesday on a variety of topics.
Aug. 16, 2023
Photo 194172408 © Albertshakirov | Dreamstime.com
scan tool
Is your shop looking to upgrade its diagnostic tools and equipment? Check out the most clicked-on diagnostic tools on VehicleServicePros.com from the second quarter.
July 10, 2023
Scan Tool
Is your shop looking to upgrade its diagnostic tools and equipment? Check out the most clicked-on diagnostic tools on VehicleServicePros.com from the fourth quarter.
Jan. 10, 2023
Image 10
Parasitic draws can be very difficult to identify, so having the right tools, such as a diagnostic thermal imager, should be used to help improve the process and repair the vehicle...
Dec. 5, 2022
Scan tool
Is your shop looking to upgrade its diagnostic tools and equipment? Check out the most clicked-on diagnostic tools on VehicleServicePros.com from the third quarter.
Oct. 3, 2022
Snap-on scan tool working on a Genesis vehicle
Update also includes enhanced PID list feature for Triton, Apollo and Modis series products, allowing technicians to save double the number of custom PID lists.
Dec. 16, 2021
Photo from ferrantraite/Getty Images
Screenshot 2021 01 12 152000
Leverage scan tool documentation and features to connect with customers
Jan. 19, 2021

Request More Information From Snap-on Diagnostics

By clicking above, I agree to Endeavor Business Media's Terms of Service and consent to receive promotional communications from Endeavor, its affiliates, and partners per its Privacy Notice. I also understand my personal information will be shared with the sponsor of this content, who may contact me about their offerings per their privacy policy. I can unsubscribe anytime.

Additional content from Snap-on Diagnostics

untitled_design__20241219t141606
Snap-on Diagnostic national trainer Keith Wray discusses the EVAP system.
Dec. 19, 2024
Snap-on adds Spanish availability
Technicians can revisit training sessions on the Snap-on YouTube channel.
Dec. 10, 2024
untitled_design__20241122t145153
Snap-on Diagnostic National Trainer Keith Wray discusses tire pressure monitoring systems (TPMS) in this blog.
Nov. 22, 2024
untitled_design__20241114t100154
The update will include coverage for Tesla Model S and Model X vehicles.
Nov. 14, 2024
untitled_design__20241031t132017
In this guest blog, Keith Wray, Snap-on Diagnostic national trainer, discusses the "B" in BEVs.
Oct. 31, 2024
untitled_design__20241025t134804
The videos are offered as short instructional sessions on specific topics for technicians.
Oct. 25, 2024
Photo courtesy of Snap-on Diagnostics
untitled_design__33_
Snap-on's upcoming fall software update for the scan tool will expand language options.
Oct. 17, 2024
ru__20240924t134758
Snap-on National Training Manager Keith Wray walks through what to do and not to do when it comes to ignition systems.
Sept. 24, 2024
ru_42
The workstations offer full mobility and organization for the ZEUS+ system.
Aug. 6, 2024
Photo courtesy of Snap-on
Snap-on pass-thru
The feature allows users to connect with specialists to walk them through specific repairs.
July 18, 2024
Photo from Adobe by Vasyl
adobe technician scan tool
The company has added French translations to its online training videos.
May 23, 2024
Photo from Adobe
untitled_design__20240328t154112
Keith Wray, Snap-on's national training manager, breaks down the post repair workflow.
March 28, 2024
13
In this case study, Keith Wray from Snap-on diagnoses a 2019 Jeep Grand Wagoneer by performing component testing and accessing the Jeep’s secured gateway.
Jan. 5, 2024
Snap-on
Pre- and post-scan workflow
Keith Wray from Snap-on shares how performing pre- and post-scans not only finds additional work needed but reduces comebacks as well.
Dec. 5, 2023
Autonomous car ADAS
What is ADAS calibration? How long does an ADAS calibration take? Keith Wray from Snap-on Diagnostics takes a closer look at the different methods and tools.
Nov. 15, 2023
Image courtesy of Snap-on
Snap-on adds ZEUS+ and SOLUS+ to Diagnostic Tool Matcher Webpage
With these latest additions, ZEUS+ and SOLUS+, Snap-on hopes to help professional technicians find the best diagnostic platform for their specific needs.
Sept. 22, 2023
AdobeStock | 490522982
DPF history
Diesel particulate filter (DPF) regeneration is a critical procedure that lowers harmful emissions while maintaining the performance of diesel engines. In this article, Keith ...
Aug. 28, 2023
Image 3
In the United States, proxi alignment may be a lesser-known term, compared to the U.K. market, but there are a variety of car manufacturers that require it. Here's a deeper dive...
July 20, 2023
Image 5
Although battery management has been around for well over 100 years, since the 1912 Cadillac, it has transformed with the times with different technologies. Keith Wray from Snap...
June 29, 2023
AdobeStock_410531500
Snap-on releases upcoming training sessions
Training sessions are offered free of charge and are taught by Snap-on Diagnostics National Trainer Jason Gabrenas every Tuesday.
June 12, 2023
2 Oil Warning And Oil Change Indicator
With the right equipment and access to the proper procedures to follow, resets and relearns help technicians reduce comebacks, prevent component damage, and keep the occupants...
June 5, 2023
1 Tf Timing Chain
While it may be a loaded question, the answer varies on who you ask and what OEMs the question might be referring to. Keith Wray from Snap-on Diagnostics takes a closer look.
April 24, 2023
Dreamstime M 172067159
New coverage highlights include 2022 model year updates, expanded code scan and clear codes for model year 2023, and more.
April 6, 2023
4powerbalancetestresized Jpgs 60
A look at a real-world scenario using intelligent Ford power balance testing.
April 4, 2023
Snap-on offers new product training sessions
Snap-on will be offering weekly new product training sessions to assist professional technicians on getting up to speed with their Fast-Track Intelligent Diagnostics tools, which...
Feb. 27, 2023
5
Digital mass airflow meters are reliable, but can prove difficult for technicians to test. By using a good fault finding process, the technician can validate the operation of ...
Feb. 20, 2023
Picture2
Pressure transducers can be valuable in the diagnostic fault-finding process in many different ways. Here's a closer look at how.
Jan. 27, 2023
4
A look at how a technician can use Snap-on's clear view flag tracker feature to quickly diagnose a faulty EGR position sensor.
Jan. 19, 2023
Snap-on adds Zeus+ training and support modules to website
Over a dozen of ZEUS+ training opportunities have been added, enabling technicians to learn and navigate the features and functionality of the new platform from the very start...
Dec. 14, 2022
Photo 57845295 © Alexey Rotanov | Dreamstime.com
Check Engine Light
Fixing a 2016 Chevrolet Cruze Limited LT 1.4L that's check engine light is on.
Oct. 20, 2022
ZEUS+
The Snap-on ZEUS+ is an advanced information-driven scan and scope device, offering onboard storage and processing and communications capabilities. Fast-Track Intelligent Diagnostics...
Oct. 17, 2022
Snap-on Fall 2022 Software Release
The Snap-on Fall 2022 Software Release includes 2022 model year updates for Genesis, GM, Hyundai, Infiniti, Land Rover, Lexus, Mazda, Mitsubishi, Nissan, Subaru, Toyota, and Volvo...
Oct. 5, 2022
Diagnostic process
By following a step-by-step diagnostic process, technicians can simplify the path to finding the fix.
Sept. 27, 2022
Photo 158738522 © Dan Grytsku | Dreamstime.com
Car won't start
Fixing a 2005 Mitsubishi Endeavor LS 3.8L that will not start.
Sept. 14, 2022
Zeus Update
The latest Snap-on ZEUS Diagnostic Tool Software Update allows technicians to spot intermittent glitches and to quickly hone in on the root cause of a problem by using the new...
Aug. 29, 2022
Photo 141889240 © Patricioj | Dreamstime.com
No heat
Fixing a 2014 Ford Escape SE 1.6L with no heat after a recall repair.
Aug. 19, 2022
Photo 172067159 © Wrightstudio | Dreamstime.com
Latest Snap-on software upgrade increases European coverage
The European coverage includes general repair, collision, and safety systems coverage for Alfa Romeo, Audi, BMW, FIAT, Jaguar, Mercedes-Benz, MINI, and Volkswagen.
July 19, 2022
Photo 194172408 © Albertshakirov | Dreamstime.com
Diagnosing fault codes
The complexity of today's vehicles means technicians are flooded with additional data when diagnosing vehicle faults. Here are ways and tools to help diagnose these faults.
July 18, 2022
Snap-on Zeus Workstation
The Updated ZEUS Workstation from Snap-on is now available in black and red to highlight the company's signature colors. The flip top workstation includes a ZEUS docking and charging...
June 28, 2022
SO341 Throttle Motor Images- 1
Electronic throttle control has now become standard fitment in all spark ignition engines.
June 20, 2022
Photo via Tungphoto on dreamstime
2011 Subaru
Fixing a 2011 Subaru Forester with low or no oil pressure.
May 26, 2022
Snap On Diagnostic Thermal Laser
The Snap-on Diagnostic Thermal Laser combines pinpoint temperature readings of up to 1,800 degrees F (1,000 degrees F in thermal mode) and thermal imaging capabilities by featuring...
Feb. 22, 2022
Diagram 1
Learn how to resolve the issue quickly and effectively by further investigation and testing.
Jan. 3, 2022
Figure 1: Brushed Motor Waveform
The brushless motor has many advantages when compared to conventional ‘brushed motors’ but while more efficient, the commutation control of the brushless motor is more complex...
Dec. 21, 2021
Snap On Red
The ShopStream web page gives customers the exclusive ability to update their scan tools and component test systems with the latest software upgrades.
Oct. 26, 2021
Jason Gabrenas
Technicians are invited to join Snap-on's National Trainer for Diagnostics Jason Gabrenas for a webinar covering gasoline direct injection (GDI) overview and testing on Thursday...
Oct. 29, 2021
Snap On
Automotive service technicians of all levels are invited to join Snap-on diagnostic expert Jason Gabrenas for a series of three diagnostic software webinars that will highlight...
Oct. 22, 2021
Volvopic5
This article describes to technicians how a relatively simple fault became slightly more complicated to rectify when a component with different operating parameters was fitted...
Sept. 17, 2021
Checking Phone
New 'create a profile' web page allows techs to stay in the know with case studies, new products, and more delivered straight to their inbox.
Sept. 14, 2021
No Theader
Join Snap-on Diagnostics National Trainer Jason Gabrenas every Tuesday for free live online training sessions.
Aug. 25, 2021
Engine Camshaft
Using an actuator test, a technician can actuate a variable valve timing solenoid and observe a change in the audible note of the engine and/or a change in engine speed.
July 20, 2021
Snap On Red
10 winners each received workstation and 1-year data plan
July 1, 2021
Eews342 Mwc Right Side V2
The Snap-on Diagnostic Mobile Workcenter gives technicians the ability to utilize the full capabilities of the ZEUS diagnostic and information system, including Fast-Track Intelligent...
May 17, 2021
Snap On Logox70 5fa094a59965f
Coming soon, Snap-on’s national diagnostic trainer, Jason Gabrenas will be hosting a webinar in partnership with PTEN publications. The webinar will focus on the subject of ‘Vehicle...
May 6, 2021
Adas Recalibration Report
The Snap-on ADAS Recalibration Report supplies a summary of the work carried out by the technician, allowing them to give the next level of explanation to their customers and ...
March 18, 2021
Snap-on TRITON-D10
The Snap-on TRITON-D10 scan and scope tool is ideal for shop owners and general technicians that need scope functionality, intuitive diagnostic testing, and system verification...
March 11, 2021
20 4 Press Release Hr
New features and coverage have been added to help technicians serve their customers with general and collision repair.
Oct. 1, 2020
Sure Track Blog
Visitors can search posts and archives to learn what has worked for other technicians.
Sept. 22, 2020
Eesc335 Front Apollo D9
The Snap-on Apollo-D9 is designed and engineered for technicians. With a fast two second boot-up, technicians are able to see the big picture with a 9" capacitive touchscreen ...
Sept. 8, 2020
Snap On Pta 1500x1500px
The Snap-on Pass Thru Assistant expands automotive repair and collision technicians’ J2534 programming capabilities, making it easy for them to keep vehicles in the shop, finish...
Aug. 19, 2020
100th Edition Workstation
The Workstation features a ZEUS docking and charging station with a custom-fit organizer and space for a wireless keyboard and mouse.
Aug. 11, 2020
100th Edition Workstation
The Snap-on Diagnostics 100th Edition ZEUS Workstation allows technicians to showcase the history and pride of Snap-on in their automotive repair shops, while providing the freedom...
Aug. 11, 2020
Vantage Legend Front White
The VANTAGE Legend features a high-speed two-channel lab scope, digital graphing meter, and exclusive expert information.
June 26, 2020
Vantage Legend Front White
The Snap-on VANTAGE Legend Component Test System features a two-channel lab scope, digital graphing meter, and exclusive expert information to enable technicians to easily verify...
June 24, 2020
Ss Connect Logo Final 300
ShopStream Connect is a free software application that allows users to directly upgrade their tool software.
June 10, 2020
Software Emblem
The coverage additions include expanded code scan and clear for 2019 and select 2020 model years.
May 18, 2020
Snap On Tool Matcher Website
The tool matcher provides a comparison of the Intelligent Diagnostics products and shows how the different products increase in features and capabilities.
April 27, 2020
Solus Legend Training Screenshot
Snap-on added ten Training Solutions videos to its website that can be viewed free-of-charge.
April 13, 2020
Software Upgrade Image April
The newest software content includes expanded coverage and additional features.
April 2, 2020
Srr Available For This Vehicle (1)
The Snap-on Service Resets & Relearns feature is a quick and comprehensive solution to complete a repair. The feature is for Zeus, Triton-D8, Apollo-D8, and Verus Edge and provides...
March 20, 2020
Eews342lple V3 Withscreen Zeus Workstation
The Snap-on ZEUS Workstation offers technicians the mobility to take the complete Intelligent Diagnostics Center throughout the service bay. ZEUS provides the functions and repair...
March 18, 2020
Eehd189090 2
The Snap-on Pro-Link Edge Scan Tool, No. EEHD189090, is ideal for commercial truck shops, general repair, mobile service, and municipalities. Its diagnostic computer provides ...
March 16, 2020
Eesc336 Solus Legend
The SOLUS Legend is designed to deliver productivity with full vehicle diagnostic capabilities and motorcycle diagnostics in one tool.
Feb. 18, 2020
Eesc336 Solus Legend
The Snap-on SOLUS Legend Scan Tool is designed to allow professional service technicians access to automotive coverage for 49 domestic, Asian, and European vehicles as far back...
Feb. 18, 2020
Eeth311 Side With Screen Diagnostic Thermal Laser
The Snap-on Diagnostic Thermal Laser, No. EETH311, combines laser-guided temperature readings, thermal imaging capabilities, and storage for hundreds of images, all in one tool...
Jan. 23, 2020
Eeth311 Side With Screen Diagnostic Thermal Laser
The Thermal Laser features laser-guided temperature readings and thermal imaging capabilities.
Jan. 22, 2020
Snap On Cmyk Logo 55677ebf1eeaf
This YouTube channel will provide another avenue for technicians to learn how they can get the most out of their diagnostic tools.
Jan. 9, 2020
Intelligent Diagnostics Family Apollo Triton Zeus Prepaid Plans
The Intelligent Diagnostics prepaid plans ensure continuously updated Zeus, Triton-D8, and Apollo-D8 diagnostic tools.
Oct. 22, 2019
Photo by Samuele Errico Piccarini, Unsplash
Samuele Errico Piccarini Myj V Re Z5 Glq Unsplash
Initialization, static, and dynamic recalibrations, as well as component tests, have been added to Snap-on’s coverage.
Sept. 17, 2019
For vehicles with a secure gateway module, access to certain diagnostic functions requires registration and authentication through an approved device for all aftermarket scan ...
Sept. 10, 2019
Livestream Training Event Sept 10
The livestream training session will take place September 10 and will focus on Snap-on’s Intelligent Diagnostics.
Aug. 20, 2019
Triton D8 On Engine
Multiple livestream training sessions are taking place Thursday, June 20.
June 18, 2019
19 2 Photo
Alfa Romeo, Audi, BMW, Fiat, Jaguar, Land Rover, Mercedes-Benz, Volkswagen, and Volvo are included in general repair, collision, and safety systems coverage.
May 31, 2019
P1000
Videos on the P1000 help technicians navigate the features and functionality of the diagnostic scan tool.
May 22, 2019
Eems343 Eur Triton Intelligent Diagnostics V3
The Snap-on Diagnostics Triton-D8 features Snap-on's intuitive Intelligent Diagnostics software. It includes advanced features to save time, boost productivity, and help technicians...
April 23, 2019
Photo courtesy of Snap-on Diagnostics
Triton D8 includes features that save time and increases productivity by filtering out unnecessary steps for technicians.
April 23, 2019
Snapon Diagnostics Adas Scanner
The Snap-on Software Upgrade Versions 18.2 and 18.4 offer expanded ADAS content. The software includes new and enhanced vehicle communications systems and new guided component...
April 2, 2019
Snap On P1000
The Snap-on P1000 Diagnostic Scan Tool offers comprehensive OEM-specific bike coverage for nine domestic, Asian, and European makes as far back as 2000, including Harley-Davidon...
March 12, 2019
Snap-on UK
Ec2e1601e4c82badd5659105714844a18780ac0e4d4aed02eb5e691c9adf8539
This training is suited for technicians who currently own, or are interested in learning more about, an Intelligent Diagnostics-enabled platform, like the Zeus and Apollo D8.
Jan. 31, 2019
ALTUS allows technicians to upload and store vehicle system reports and related images from their scanner and thermal imager.
Nov. 6, 2018
Download (9)
The videos cover everything from an introduction to the tool and overview of Intelligent Diagnostics, to a complete vehicle system scan.
Oct. 2, 2018
Apollo D8 Beautyworkbennch Homescreen
Without the Wi-Fi turned on, customers aren’t using their tools to their fullest potential and may be missing out on important repair opportunities.
Sept. 10, 2018
Thermal Imager Elite
The Diagnostic Thermal Imager Elite from Snap-on uses infrared technology to reveal heat caused by friction, electrical resistance, pressure changes, and more to track down vehicle...
Aug. 10, 2018
The pre-scan helps speed the diagnosis and repair, and when followed by a post-scan, it confirms the work was completed properly.
July 31, 2018
Rich Griffin has a 20' long, 8' tall, 3' deep Snap-on setup featuring three main boxes, two hutches, a top chest, two lockers and four top cabinets.
The 20' long tool setup features two work stations and over 40 drawers.
June 15, 2018
Apollo D8 Beauty Workbennch Homescreen
The Snap-on Diagnostics Apollo D8 is designed to make Intelligent Diagnostics software more accessible to more technicians at all skill levels. Apollo D8 provides users with the...
May 23, 2018
Snap On Diagnostics Zeus
The ZEUS with Intelligent Diagnostics software, from Snap-on Diagnostics, is an intuitive diagnostic tool designed to guide technicians through every step the find the solution...
May 23, 2018
Capture
The Snap-on Heated Hoodie, No. SSX17P111, was made to keep technicians warm and dry and their mobile devices charged. Rather than bulky warming layers that restrict movement, ...
April 16, 2018
Dfriendheadshot
This technician turned two-shop owner shares his top tools.
April 13, 2018