Why this Ford F-150 won't start
Welcome back to another edition of “The data doesn’t lie,” a regular feature in which I pose a puzzling case study, followed by the answers to the previous issue’s puzzle.
Just a few months ago, I spoke with my friend Clay Cowell (of CMC Diesel, in Big Timber, Montana) for the first time. He was faced with a 2013 Ford F150, with a 3.5L engine that exhibited a symptom of “Crank/No-start.” Clay diligently pursued the issue but found himself a bit turned around, considering the PCM offered no DTCs as a clue to begin the diagnostic journey. The vehicle was driven flawlessly off-road and crossed a shallow creek before the engine stalled suddenly and wouldn’t restart.
Clay reached out to me and told me of the situation. I suggested we begin determining what does seem to be functioning correctly. With that, Clay informed me that as the vehicle cranked, none of the ignition coils or fuel injectors were firing. I then told him of my tactic to always get to the root cause of either of the symptoms. I do this by asking “why” until I simply can’t find the answer to that question any further.
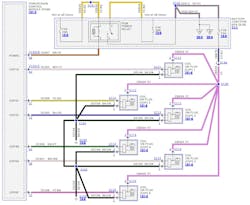
So, I suggested Clay find out “why” a spark is not present, and what is required to create spark from a coil on this specific vehicle. Clay realized the ignition system utilized a three-wire COP configuration for each of the six cylinders (Figure 1). Using his Snap-on ZEUS 4-trace lab scope, he then verified the COPs had adequate voltage and ground supply present, but the PCM failed to issue a command to fire the coils. Again, the question is, “Why?”
Armed with this knowledge we discussed that the PCM is not a smart device but is one that follows directions quite well. The PCM requires input from the timing signals (Crankshaft and/or camshaft position sensor signals) to decide when to fire the ignition coils and fuel injectors. My suggestion was to capture the signals to ensure they were not only present but reached the appropriate amplitude and perhaps even correlated with one another properly.
Analyzing the captured CKP signal and comparing it to a known-good capture, I was suspicious of what appeared to be a missing pulse. Looking at a trend view of the data revealed that this missing pulse happened once per crankshaft rotation (Figure 2).
The data doesn’t lie
With all the information in front of us, and the desired information not yet obtained, we are faced with deciding how to proceed. Here are some bullet points of what we know to be factual, and I will ask all of you, diligent readers, for your input:
- The PCM will not fire the ignition coils or fuel injectors.
- No DTCs are present or pending.
- The COPs each receive adequate voltage and ground supply, but no triggered command.
- The CKP signal is present, of proper amplitude, but exhibits an anomaly.
Given this information, what would you do next?
- Replace the CKP sensor.
- Inspect CKP reluctor with borescope.
- Replace damaged crankshaft.
- Update PCM software.
SOLVED: (June 2024, Motor Age) 2006 Mazda 6 GDI, No acceleration
What would you recommend doing next, given the data bullet points in last month’s challenge?
Given this information, what would you do next?
- Reset camshaft timing and re-evaluate
- Inspect camshaft/pump condition
- Condemn FVR (HPFP assembly)
- Condemn HPFP piston/chamber (HPFP assembly)
For those of you who chose answer No. 2, congratulations! Answer No. 1 is incorrect. Even though cam timing has a drastic effect on HPFP output, the late intake cam timing would’ve yielded higher-than-commanded rail pressure. Answer No. 3 is incorrect as the FVR has been proven to be functional through voltage and amperage testing. Replacing the FVR (HPFP assembly) would make no change to the symptom or data collected. The answer could certainly be a possible fault and the likely cause of the zero HPFP-output. However, we cannot condemn the HPFP until visual inspection of the cam lobes and pump drive has been made. The HPFP was removed, and the intake camshaft was found to be broken at the pump drive cam lobes, preventing the HPFP piston from stroking.
Be sure to read the next issue of Motor Age for the answer to this month’s challenge and what was discovered!
About the Author
Brandon Steckler
Technical Editor | Motor Age
Brandon began his career in Northampton County Community College in Bethlehem, Pennsylvania, where he was a student of GM’s Automotive Service Educational program. In 2001, he graduated top of his class and earned the GM Leadership award for his efforts. He later began working as a technician at a Saturn dealership in Reading, Pennsylvania, where he quickly attained Master Technician status. He later transitioned to working with Hondas, where he aggressively worked to attain another Master Technician status.
Always having a passion for a full understanding of system/component functionality, he rapidly earned a reputation for deciphering strange failures at an efficient pace and became known as an information specialist among the staff and peers at the dealership. In search of new challenges, he transitioned away from the dealership and to the independent world, where he specialized in diagnostics and driveability.
Today, he is an instructor with both Carquest Technical Institute and Worldpac Training Institute. Along with beta testing for Automotive Test Solutions, he develops curriculum/submits case studies for educational purposes. Through Steckler Automotive Technical Services, LLC., Brandon also provides telephone and live technical support, as well as private training, for technicians all across the world.
Brandon holds ASE certifications A1-A9 as well as C1 (Service Consultant). He is certified as an Advanced Level Specialist in L1 (Advanced Engine Performance), L2 (Advanced Diesel Engine Performance), L3 (Hybrid/EV Specialist), L4 (ADAS) and xEV-Level 2 (Technician electrical safety).
He contributes weekly to Facebook automotive chat groups, has authored several books and classes, and truly enjoys traveling across the globe to help other technicians attain a level of understanding that will serve them well throughout their careers.


