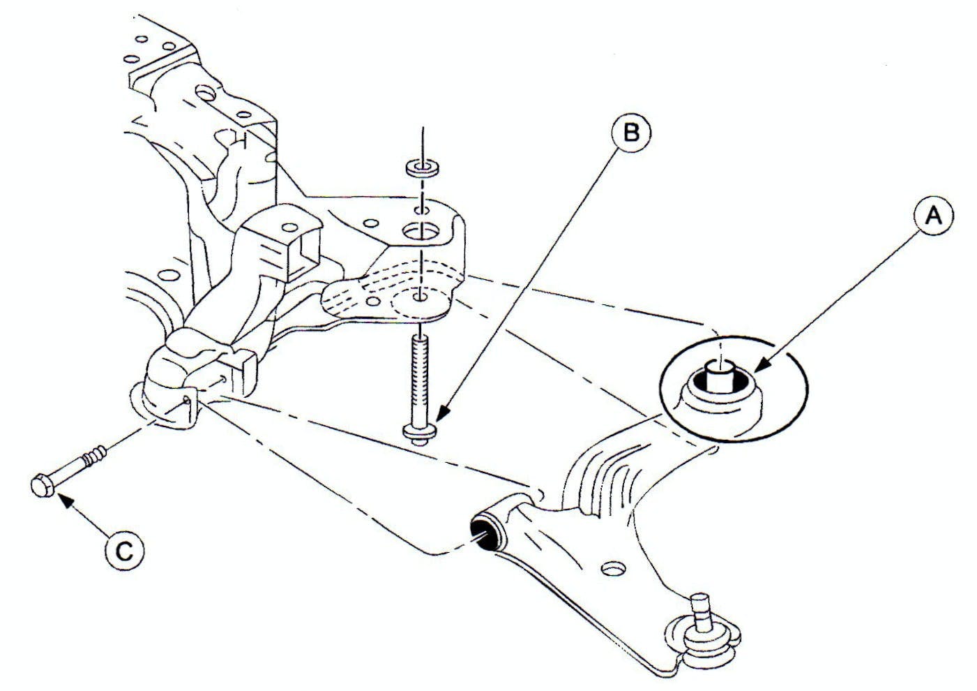
Mazda lower control arm bushings
The lower control arm bushings for 2001-2006/2008-2009 Mazda Tribute and 2008-2009 Tribute Hybrid are located at the rear of the front suspension lower control arm. The control arm is mounted in the front subframe with two bolts (one vertical and one horizontal). The bushing is part of the lower control arm and cannot be serviced separately from the arm.
Bushings with a separation or crack greater than 3/8-inch (10mm) in depth should be replaced. The customer may hear a bang or clunk in the front suspension if there is enough separation for the arm to contact the subframe.
