Case Study: Chrysler 300 A/C inoperative – compressor will not engage
Vehicle: 2006 Chrysler 300, V8-5.7L, VIN H, Automatic Transmission/Transaxle
Mileage: 86,708
Problem: The A/C system will not blow cold air. The customer mentioned that he had noticed the compressor was not engaging.
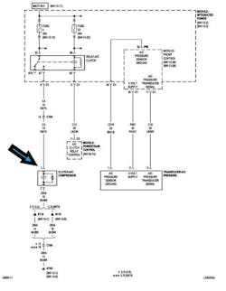
Case Details: The technician tested for battery power to the A/C fuses. He found that there was battery voltage across both legs of fuses, four (20A) and 22 (40A) in the totally integrated power module (TIPM). Next, he tried jumping the A/C pressure switch, but the compressor still would not engage. An ALLDATA Tech-Assist consultant suggested using a wiring diagram from ALLDATA Repair (see diagram) to help trace the wiring and connectors between the A/C clutch relay and the compressor. The technician found pin 6 in connector C1 was corroded and broken in the connector.
Confirmed Repair: He repaired the damaged wiring connector. After the repair, the A/C system operated as designed. Easy fix!
Reprinted with permission from ALLDATA.
About the Author

Richard Diegle
Senior Automotive Editor for ALLDATA
Rich Diegle has been in the automotive industry since 1978. After graduating from a local community college, he began working at a Nissan dealership as a used car technician. Since then, he’s worked as a Nissan and ASE master automotive technician, shop owner, marketing copywriter, automotive editor, public relations manager, instructor, ALLDATA Tech-Assist team manager, and a senior automotive editor.

