Alldata Black 56dde4a32926a

ALLDATA

9412 Big Horn Blvd.
Elk Grove, CA 95758
800-697-2533
800-697-2533
916-684-6934

Products

ALLDATA Shop Manager Update
The ALLDATA Shop Manager now includes Nexpart Multi-Seller parts ordering, giving customers 24/7 access to leading parts suppliers, in addition to the AutoZone parts catalog currently...
Oct. 19, 2022
ALLDATA Inspections
The ALLDATA Inspections is designed to give shops the ability to jumpstart the customer check-in process curbside and perform digital vehicle inspections (DVIs) on a mobile phone...
Sept. 26, 2022
ALLDATA Instructor Toolkit
The ALLDATA Instructor Toolkit is a resource for automotive and collision career and technical education (CTE) programs. The Instructor Toolkit was developed in partnership with...
Sept. 29, 2021
Image006
The ALLDATA Shop Manager is designed to simplify the creation of everyday shop documents like estimates, repair orders, and invoices. It syncs seamlessly with ALLDATA Repair or...
July 16, 2020
Aca Hero 7 5
ALLDATA Collision Advantage combines the power of ALLDATA Collision with the protection of estimate integration. Once a technician creates an estimate with any of the three major...
March 29, 2018
Alldata Diagnostics
ALLDATA Diagnostics turns any tablet into a scan tool. ALLDATA Diagnostics has a Vehicle Connection Interface (VCI) that attaches to the vehicle's OBD-II port and links wirelessly...
Nov. 14, 2017
Picture8 583c689bddfc1
The ALLDATA Repair is an online repair solution that delivers online OEM repair information directly from all manufacturers in a single, reliable source, with factory-direct diagrams...
Nov. 28, 2016
1) Alldata Repair Information
With ALLDATA Repair Information, the shop has instant access to a single source of accurate, up-to-date OE-direct diagnosis, repair, and maintenance information. Available online...
Feb. 27, 2014
1) Alldata Repair Information
The ALLDATA Mobile Repair App, for Android and iOS, offers portable access to ALLDATA's OEM diagnostic and repair information. The app is designed to increase productivity by ...
Feb. 5, 2014
Alldataco 10207296
The ALLDATA Repair S3000 searches ALLDATA's entire database of repair information for any phrase relative to a specific vehicle. The results yield a much greater amount of relevant...
Nov. 18, 2010

Press Releases

Toyota Echo Tech Tip Diagram
The technician connected a scan tool and found no diagnostic trouble codes.
Nov. 24, 2021
Chevy Tech Tip Illustration
The hill start assist system, which is designed to temporarily hold the brakes on while stopped on a hill until the driver can release the brake pedal and push on the accelerator...
Nov. 22, 2021
Photo 33345833 © Edwardsamuel | Dreamstime.com
Bridge The Gap
An interview with ASE Education Foundation leaders
Nov. 18, 2021
Ac Service
The truck was brought to the shop because the A/C was blowing warm air.
Nov. 18, 2021
Tech Tip3 Pt Cruiser Timing
After a routine timing belt replacement, the technician noticed that the camshaft timing marks were off one tooth when tension was put on the belt.
Oct. 20, 2021
Tech Tip2 F450 Coolant Leak
The owner brought his F-450 to the shop because it had a slow coolant leak and the transmission kept overheating.
Oct. 20, 2021
Photo courtesy of ALLDATA
Alldata
ALLDATA’s scan tool is able to access the FIAT Chrysler vehicle network through the Secure Gateway module using AutoAuth, FCA’s approved authentication provider, and perform essential...
Sept. 17, 2020
Image006
ALLDATA Shop Manager is the third addition to the company’s suite of shop management solutions.
July 15, 2020
Alldata
New feature grants technicians access to probable causes and OEM procedures, right at the vehicle.
May 15, 2019
Download (3)
Satwinder Mangat was formerly general manager of ALLDATA North America.
April 10, 2018

Videos

Untitled
In this video, Scott Brown, ASE Master Certified L1 Technician, provides tech tips on utilizing ALLDATA's Service Information.
Oct. 23, 2020
Untitled
In this video, Scott Brown, ASE Master Certified L1 Technician, provides tech tips on how to use the ALLDATA Diagnostics scan tool.
Oct. 9, 2020
944904665 640 5f63a5699c07d
In this video, Scott Brown, ASE Master Certified L1 Technician, reviews the ALLDATA Diagnostics Scan Tool Application.
Sept. 17, 2020
1660628632 10826983
Wrenchin' Roger talks about new tools he's seen at AAPEX 2012. He received a tool demonstration of the new OTC Genisys Touch and discussed the guided test plan function similar...
Nov. 8, 2012

Blogs

Fuel cap
The customer brought their vehicle in with a Malfunction Indicator Light (MIL) on and a loose fuel cap message displayed.
Feb. 20, 2025
top_10s_1
The truck was brought in because the malfunction indicator light (MIL) was on, idle speed was fluctuating, and no throttle response.
Feb. 5, 2025
untitled_design__20250107t131200
The truck was towed in because the engine would start and run but then die a few seconds later.
Jan. 7, 2025
untitled_design__20250103t142945
A customer brought their 2016 Chevy Silverado in because of a weird intermittent pinging noise after starting the engine.
Jan. 3, 2025
untitled_design__20241203t121725
A customer brought their 2017 Dodge Ram in due to the malfunction indicator light (MIL) being on.
Dec. 3, 2024
untitled_design__20241015t115624
A customer brought their 2013 Volvo in with a noticeable lack of throttle response.
Oct. 15, 2024
untitled_design__20241011t172141
A customer brought in their Mercedes GLC350e with an intermittent high voltage warning message.
Oct. 11, 2024
ru__20241003t153500
Customer brought their 2017 Acura in because their A/C stopped working suddenly.
Oct. 3, 2024
ru__20241001t105053
A customer brought their 2017 Chevy Express in because it lacked power and wouldn't go over 25 mph.
Oct. 1, 2024
ru__20240926t130711
A customer brought their 2010 Mercedes Benz into the shop for an A/C compressor installation.
Sept. 26, 2024

News

aspire_images_72
Among these solutions are the ALLDATA Shop Manager Pro, the ALLDATA Quick Specifications, and more.
Nov. 3, 2025
untitled_design__20241023t160640
The integration allows ALLDATA Repair Planner customers to import their estimates automatically.
Oct. 23, 2024
Image from ALLDATA
untitled_design__20240430t153838
Repair Planner is designed to automate the repair planning process and help shops integrate OEM accuracy.
April 30, 2024
Photo from Adobe
California enacts new anti-theft laws, a crackdown on catalytic converters
In an effort to work against the increasing theft of catalytic converters, California has enacted three new laws.
March 12, 2024
Image from ALLDATA
ALLDATA prepares for SEMA 2023
The company's focus will be to help shops boost productivity with integrated online solutions, including ALLDATA Repair and ALLDATA Collision.
Oct. 31, 2023
blue logo3 5665c951edeb2
Closing the gap between diagnostics and repair data
Dec. 7, 2015
Booth 3066 features connected technology and aftermarket telematics.
Oct. 24, 2011

Articles

Photo from Blue Planet Studio on Adobe Stock
ADAS
Having a consistent diagnostic approach to diagnosing ADAS systems.
June 7, 2023
Air conditioner car
Technician was advised the A/C system uses a compressor with a variable solenoid to control compressor engagement instead of a traditional clutch.
Oct. 19, 2021
DCP Solenoid & Isolation Bracket
Mechanical contact between the Duty Cycle Purge (DCP) solenoid and the body of the vehicle could be the cause of the sound. The diagnosis involves isolating the DCP solenoid from...
Jan. 1, 2020
Photo courtesy of ALLDATA
16 Dodge 5 Volt Ref Damage
The truck came to the shop because it was hesitating, stumbling and bogging on acceleration.
Nov. 28, 2017
1
This dealership-turned-independent tech shares the top tools he uses for diagnosing a wide range of driveability issues.
Oct. 13, 2017
Illuminated dash lights show here, highlight all the systems technicians today are required to diagnose.
An overview of new tool technologies and how to implement them to maximize your investment.
Oct. 13, 2017
Alldata Tech Tips Logo
The technician was unable to keep the vehicle running long enough to see any difference in the camshaft timing “actual” versus “desired” PID.
Sept. 7, 2017
Alldata Tech Tips Logo
The vehicle has no fuel pressure, even after verifying voltage, swapping the fuel pump relay and replacing the fuel pump.
Sept. 6, 2017
Audeliz 2 58b8a6042eec9
Audeliz "Junior" Meijas strives to figure out the problems on vehicles where no one else can. He uses these tools to help him achieve that goal.
April 14, 2017
From left to right: Bud Dunton, Don Cranston, John Meyerhofer, Marsha Meyerhofer, Jeff Wangerin. Kristie Lancaster not pictured.
Owner John Meyerhofer keeps his technicians up-to-date with training, while still maintaining a traditional repair shop.
July 21, 2014

Additional content from ALLDATA

adobestock_545821357
The vehicle was brought in because the engine kept overheating.
Sept. 13, 2024
ru_90
Customer brought in their 2020 Chevy Silverado because the malfunction indicator light (MIL) was on.
Aug. 23, 2024
ru_84
Dennis Shortino, an automotive diagnostic consultant at ALLDATA, walks through scan tool tests that could save you time.
Aug. 20, 2024
ru_69
Customer came into a repair shop concerned that their parking assist wasn't working.
Aug. 13, 2024
ru_7
A customer brought their 2016 Ford Transit into an auto shop with multiple warning lights on.
July 12, 2024
untitled_design__20240703t143734
The owner of a 2019 Dodge Ram 1500 Classic took their car into the shop, truck lacked overall power and MIL was on.
July 5, 2024
untitled_design__20240703t112432
Client brought their 2018 Subaru Forester in due to the malfunction indicator light (MIL) being on.
July 3, 2024
Photo from Adobe
untitled_design__20240628t103224
Dennis Shortino of ALLDATA discusses how to avoid a catalytic converter breaking down.
June 28, 2024
Photo from Adobe
untitled_design__20240611t121329
Customer's 2018 Toyota Corolla had an illuminated malfunction indicator light, but car ran fine.
June 11, 2024
Photo from Adobe
untitled_design__20240514t124453
Volvo owner came into a shop complaining that their HVAC blower ran constantly.
May 14, 2024
Photo from Adobe
untitled_design__20240507t162923
A customer brought a 2015 Jeep Grand Cherokee in due to the engine stalling when the DRLs were turned on.
May 7, 2024
Photo from Adobe
untitled_design__20240419t162227
A customer came in complaining that everything on the dash instrument cluster will flash then go black, sometimes engine shuts off completely.
April 19, 2024
Photo from Adobe
untitled_design__20240402t151102
A customer came in saying their car was cold in the mornings, the gearshift wouldn't come out of park, and multiple dash warning lights remained on.
April 2, 2024
dreamstime_xxl_21010424
ALLDATA Case Study
The owner brought his Silverado to the shop because the passenger window motor stopped working.
Feb. 19, 2024
Photo 49957687 Sebastian423 | Dreamstime.com
ALLDATA Case Study
The Fiat’s rear hatch would not open when using the switch on the outside handle.
Feb. 5, 2024
Photo 21010424 Xi Zhang | Dreamstime.com
Chevrolet logo
The Avalanche was towed in for a No crank/No start condition.
Jan. 23, 2024
Oscilloscope CK and CM Wave
Here are five tips for you to take full advantage of your digital storage oscilloscope.
Dec. 20, 2023
adobestock_454829883
ALLDATA Case Study
The owner of this Acura was concerned about the charging system error message in the instrument cluster.
Nov. 28, 2023
AdobeStock_121798525.jpeg
ALLDATA Case Study
The customer said that the engine keeps running when he turns the ignition key off. Everything else shuts off except the malfunction indicator light (MIL), and the engine continues...
Oct. 9, 2023
AdobeStock | 308945701
Dodge Ram Case Study
The owner said his truck stalled a few times while driving, then it would crank but not start. There was also a "No Bus" message displayed in the odometer field of the instrument...
Sept. 21, 2023
AdobeStock_121798525.jpeg
ALLDATA Case Study
The Savana was towed to the shop because the malfunction indicator light (MIL) was on, and the engine would crank over but not start.
Sept. 7, 2023
Photo from ALLDATA
ALLDATA Case Study
The driver of this snowplow Ford F-350 complained that multiple warning lamps were on, such as the brake light, ABS and malfunction indicator light (MIL).
Aug. 22, 2023
Photo from ALLDATA
ALLDATA Case Study
The operator of this Sprinter complained that the engine kept running after the ignition switch was turned off. The engine oil level was on the mark, so he didn’t think the run...
Aug. 8, 2023
Photo 20445550 Arne9001 | Dreamstime.com
ALLDATA Case Study
The customer had her F-150 towed into the shop because the radio, HVAC controls, and the electric power steering were inoperative.
July 19, 2023
1375252 © Peter Dolinsky | Dreamstime.com
ALLDATA Case Study
The customer said her Q50’s left front turn signal stopped working, but the right turn signal worked just fine.
July 5, 2023
AdobeStock_121798525
ALLDATA Case Study
The Jeep was in the shop because of an intermittent starting problem and the malfunction indicator light (MIL) was on.
June 7, 2023
AdobeStock_137073641.jpeg
Case Study: F-150 intermittent lack of throttle response
The customer’s concern was that his F-150 had developed a noticeable loss of throttle response, and the malfunction indicator light was on.
May 3, 2023
Case Study: Acadia no start, does not crank
The Acadia was towed to the shop for a no-start/does not crank concern.
April 19, 2023
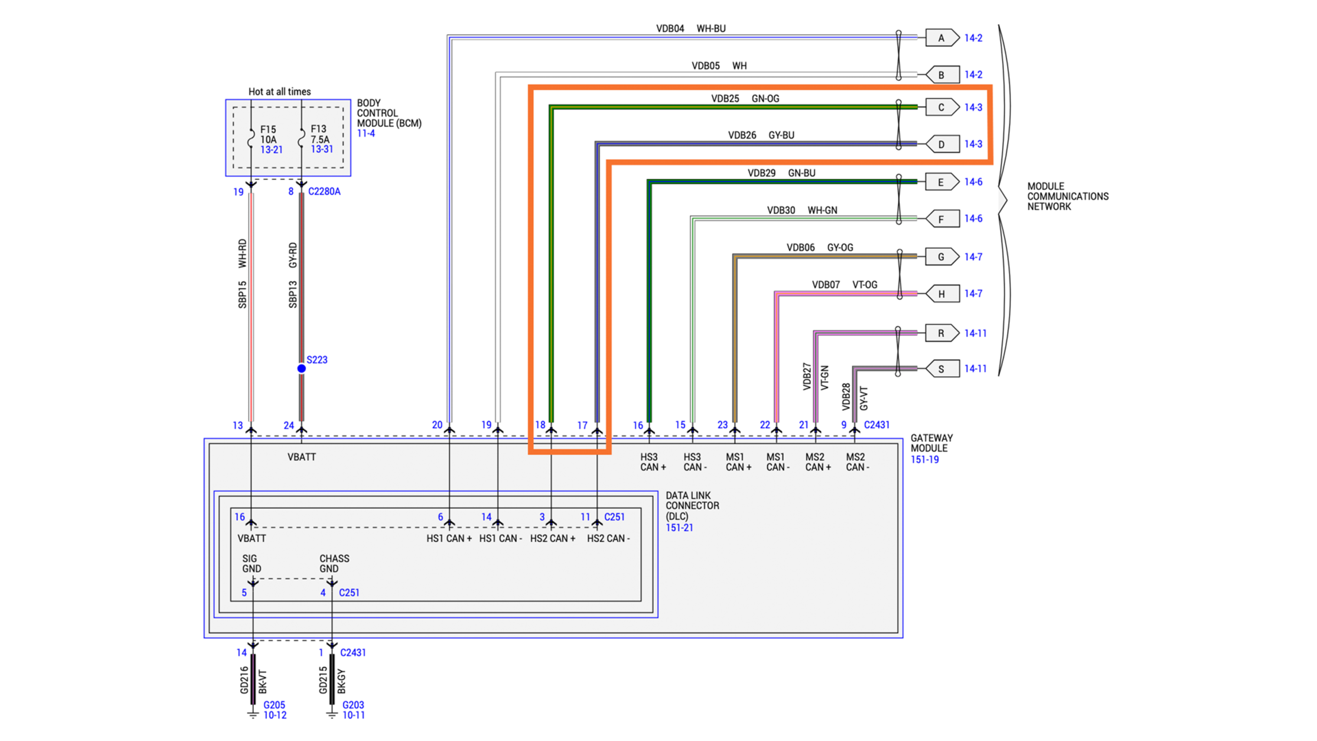
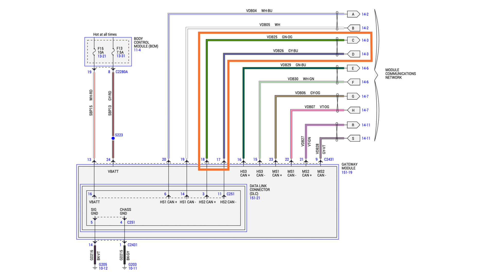
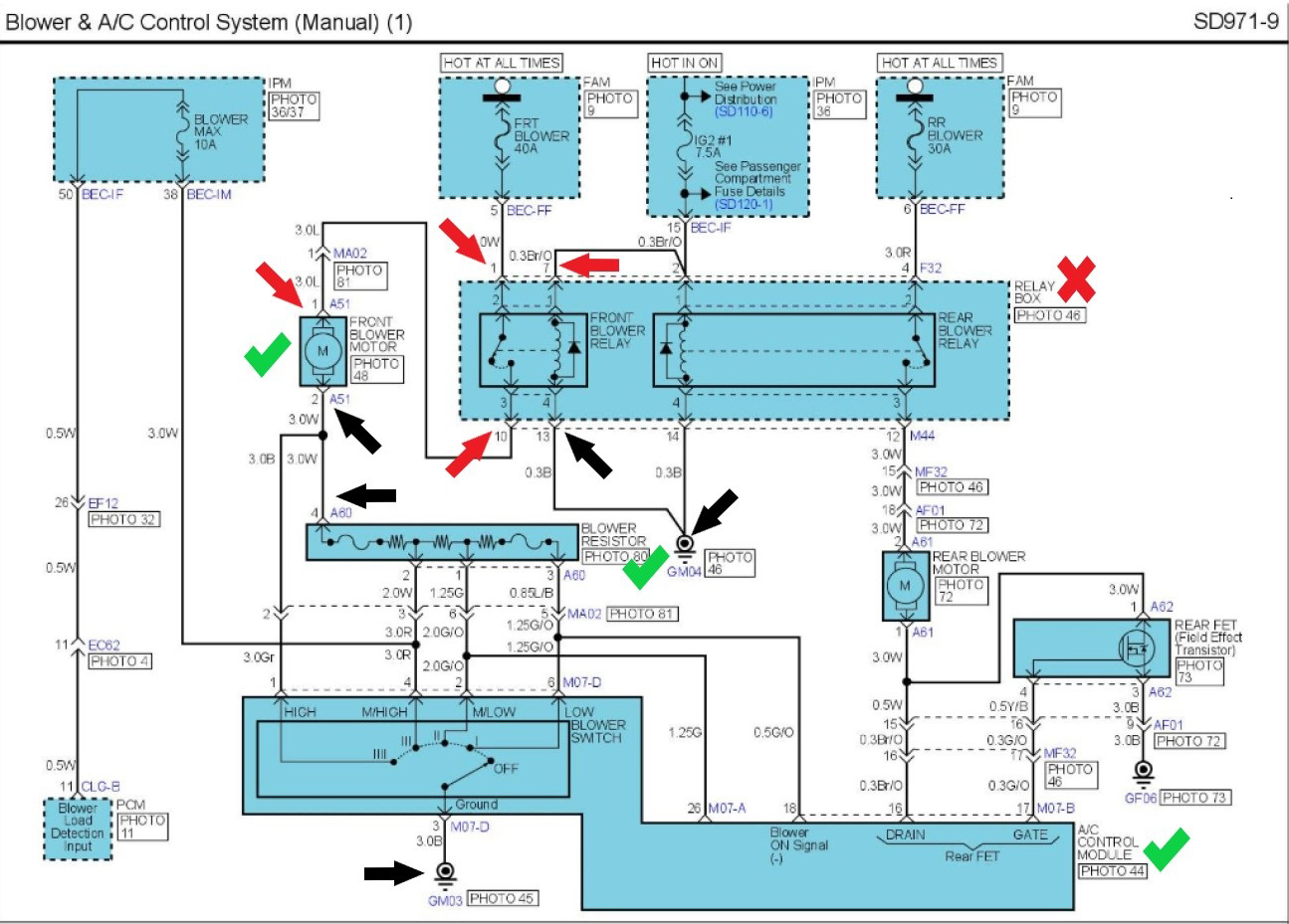
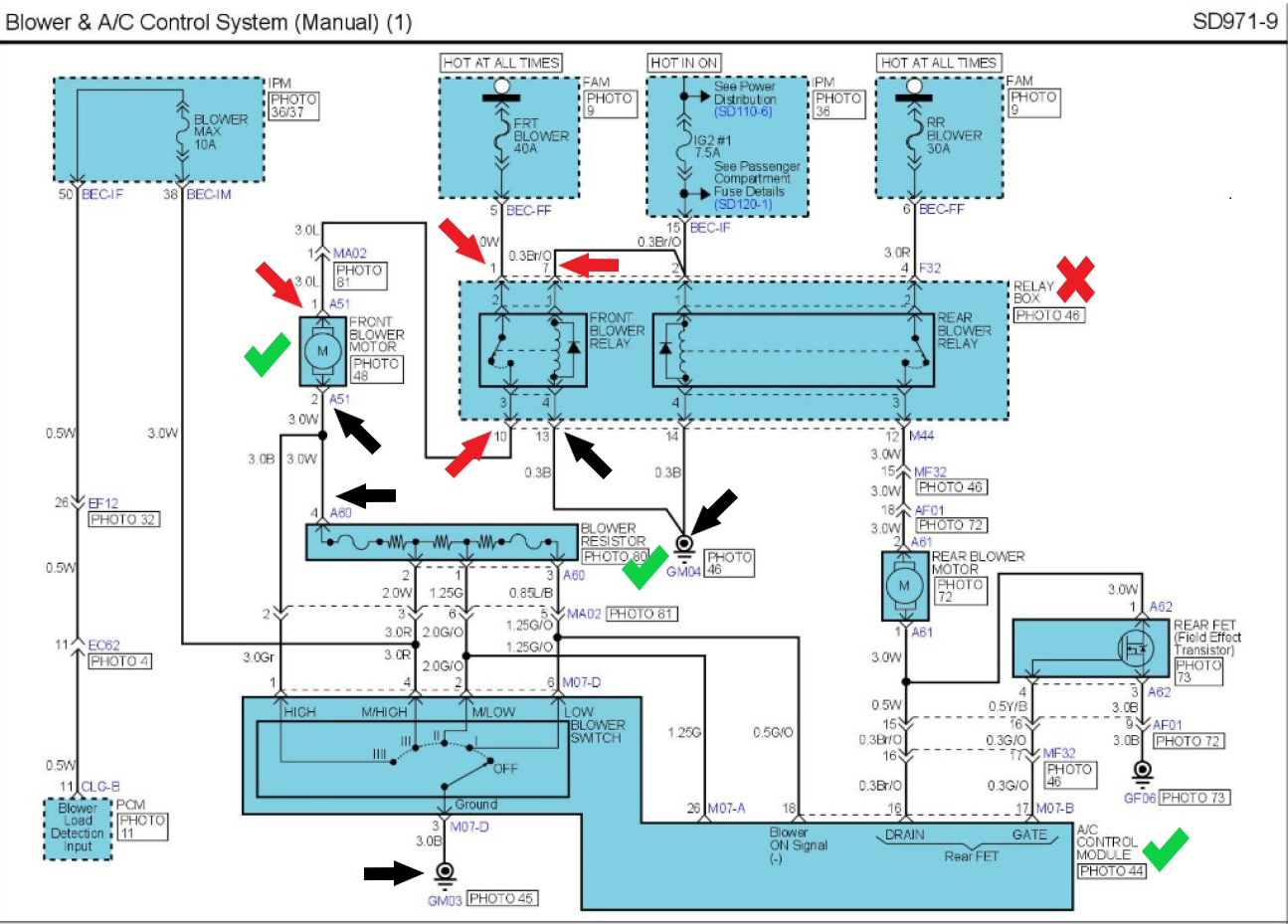
Kia Sd971 9
This Kia Sedona with a manual HVAC system was brought to the shop because the blower motor was inoperative when selecting any fan speed.
April 5, 2023
malfunction indicator light (MIL)
After the owner tried replacing the #5 coil, to repair a P0305 misfire DTC, this Explorer ended up at the shop with a hard misfire and the MIL illuminated in the instrument cluster...
March 22, 2023
ALLDATA Tech Tip
The owner’s concern was that the headlights seemed dim.
March 8, 2023
ALLDATA Tech Tip
This vehicle came into the shop because there was no power window operation at any door. The lock-out switch was not set to “lock”.
Feb. 22, 2023
Case Study: Ford F-250 battery goes dead overnight
The customer says the battery goes dead overnight. The battery and charging system had been tested and checked out good.
Feb. 8, 2023
Chevy Trax in limp mode, MIL on
This vehicle was towed in because the truck had no throttle response, no power, and bucked and jerked on acceleration.
Jan. 25, 2023
F-550 stalls intermittently, extended crank on start-up
This vehicle was brought to the shop because the malfunction indicator light (MIL) was on, and the engine kept stalling intermittently. Also, the engine occasionally took a long...
Jan. 11, 2023
Case Study: Captiva false ABS activation on right turns
This Chevy Captiva was brought in because the stability control system was activating intermittently. It only happened on slow righthand turns with the driver’s foot off the brakes...
Dec. 28, 2022
Photo 53966928 © Artzzz | Dreamstime.com
Ford F-150
This F-150 was originally brought to the shop because the engine was producing excessive vibration and internal noises.
Dec. 15, 2022
Photo 99177418 / Chrysler © Raytags | Dreamstime.com
Chrysler 300
The A/C system will not blow cold air. The customer mentioned that he had noticed the compressor was not engaging.
Dec. 1, 2022
Photo 223436926 © Jonathan Weiss | Dreamstime.com
Toyota Highlander
This Highlander was originally brought into the shop for unrelated maintenance work. After the work was done and with the engine running, the steering assist became inoperative...
Nov. 10, 2022
2004 Silverado Alldata
This vehicle was towed in as a no-crank, no-start condition.
Oct. 27, 2022
Photo 96769218 © Bohdan Hetman | Dreamstime.com
2010 Nissian Armada
The customer stated that the dash goes dead, and the throttle response is poor shortly after the vehicle has been driven awhile and the engine is up to operating temperature. ...
Oct. 13, 2022
Photo 58772865 © Artzzz | Dreamstime.com
Dreamstime M 58772865
This Mercedes came to the shop with the ABS lamp on, and at low speeds, it felt like the ABS was activating.
Sept. 29, 2022
Photo 122139226 © Alberto Zamorano | Dreamstime.com
BMW 330i
The customer brought their Beemer in because the A/C was not working. Another shop had already replaced the expansion valve and recharged the system but that did not fix the problem...
Sept. 15, 2022
Photo 114488158 © Serban Enache | Dreamstime.com
Dodge Ram
The owner of this Dodge Ram brought the truck in because the engine would start and run for about a minute, then stall.
Sept. 1, 2022
Photo 210236421 © Ilyas Kalimullin | Dreamstime.com
VW Passat
This Passat, with an 02E automatically shifted manual transmission was in the shop for a routine transmission fluid drain and fill. After the fluid change, however, the transmission...
Aug. 11, 2022
Photo 63845804 © Teddyleung | Dreamstime.com
Lexus IS 250
This vehicle was running well, but the malfunction Indicator Light (MIL) would occasionally come on. If the diagnostic trouble codes (DTCs) were cleared, after a few days, the...
Aug. 4, 2022
Photo 13856828 © Brian Sullivan | Dreamstime.com
VW Jetta
The customer brought his Jetta into the shop because the malfunction indicator light (MIL) was on. There were no obvious drivability issues.
July 28, 2022
Photo 173996421 © Sam74100 | Dreamstime.com
EV charging
'It’s important that independent automotive repair shops be included in the conversation about EV infrastructure.'
July 19, 2022
Photo 11844464 © Jheric1983 | Dreamstime.com
Ford Taurus
This Taurus with the 6F50 automatic transaxle arrived with a complaint of "transmission slipping" in certain gears.
June 21, 2022
Photo 37625390 © Max Herman | Dreamstime.com
Chevy Silverado
This Silverado arrived in the shop with the supplemental restraints system (SRS) warning light illuminated.
June 14, 2022
Photo 216293711 © Tony Savino | Dreamstime.com
The owner brought her vehicle to the shop because the malfunction indicator light (MIL) was on, and the engine would occasionally stall when coming to a stop.
June 7, 2022
Photo via Dreamstime
2011 BMW 335i Coupe
The owner brought her BMW in because the malfunction indicator light (MIL) was on. The engine seemed to run fine.
June 6, 2022
Photo from dreamstime
A Tech-Assist consultant advised that when filling the gas tank with the ignition key off, the evaporative system’s purge control valve should have been closed.
May 30, 2022
2012 Kia Sorento
After a Kia dealer replaced the long block under the SC147 Theta II Engine Safety Recall campaign, the Sorento was barely able to start and idle.
May 23, 2022
Photo from Dreamstime
The technician connected a scan tool but found no diagnostic trouble codes in any modules.
May 16, 2022
Photo from Dreamstime
PT Cruiser
This vehicle was parked for several months and only moved about 50' once a week.
May 9, 2022
Cadillac
The owner of this CTS said that the brakes locked up and wouldn't release. The problem occurred after he topped off the brake fluid.
April 29, 2022
Photo from dcbel on Unsplash.
EV charging station
A study reported that U.S. consumers not considering an EV cited range anxiety, lack of public charging infrastructure, and vehicle cost/cost of ownership as their three biggest...
April 26, 2022
Photo from Stephen Leonardi on Unsplash
2018 Dodge ProMaster
The technician was advised to do a thorough inspection of all front-end components and bushings for wear, excessive play or looseness, or collision damage.
April 12, 2022
Photo from Callum Hilton on Pexels
Ford F-150
The technician checked technical service bulletins (TSBs) for this truck in ALLDATA and found one that mentioned that a problem with fuse no. 27 could cause a crank, no start ...
March 21, 2022
Photo from PaulN1 on Pixabay
Automobile G41d944f93 1920
The technician was advised to take the car on a test drive and monitor the clutch switch signal with a capable scan tool to see if it indicated that the clutch was being disengaged...
March 9, 2022
Ev 31600
As EVs age, they will require repairs and maintenance like any other conventional automobile, but if you’ve never worked on these vehicles before, or are just hesitant to take...
Feb. 28, 2022
Photo from Sincerely Media on Unsplash
Sincerely Media Ho3x L Zta1 Qo Unsplash
ALLDATA provides five tips on how to communicate your holiday break to your customers.
Nov. 17, 2021
1
In this interview, ALLDATA’s Rich Diegle talks with ASE Education Foundation President Mike Coley and Vice President George Arrants about the launch of ALLDATA’s Instructor Toolkit...
Oct. 25, 2021
Photo from CHUTTERSNAP on Unsplash
Chuttersnap X J Ls Hl0h Iik Unsplash
In this article, ALLDATA covers manufacturer-specific safety guidelines aimed at keeping you safe while working on two fully electric vehicles – the Nissan Leaf and the Chevy ...
Sept. 24, 2021
Front Car Turn Signal
Be sure to perform a visual inspection of every turn signal and headlamp bulb and socket to start.
Sept. 9, 2021
Ase 1600
Rich Diegle, senior automotive editor for ALLDATA, interviews David Milne, ASE vice president, to get the scoop on ASE testing and certification.
Aug. 23, 2021
Tech With Tablet
Each successive model year brings new technologies and procedures to learn and possibly, new tools and equipment to purchase.
Aug. 18, 2021
Car Engine 231213 Post
With the number of hybrid and electric vehicles on the road increasing, it's more important than ever for technicians to have the proper training and manufacturer’s repair information...
Aug. 4, 2021
Expedition Air Bag1
When the technician called ALLDATA Tech-Assist, he was advised that the airbag system on this vehicle uses the seat track position to determine the airbag ignition deployment ...
Sept. 28, 2020
Alldata Black 56dde4a32926a 5ed956a06d4f5 5eda75527d534 5f4d5b4f49c6f
ALLDATA's Tech-Assist consultant advised checking the harness connection at the transmission because over-filling the oil capacity can cause oil to wick past the seals and foul...
Sept. 28, 2020
Mercedes 350 Batt Wiring
To start, the technician was advised by an ALLDATA Tech-Assist consultant to check the voltage at the main lug of the alternator.
Sept. 28, 2020
Aveo Compressor
The technician tried all they could think of to fix the A/C before calling ALLDATA Tech-Assist to get some advice.
Aug. 31, 2020
Equinox Wiring Diagram
Being inexperienced with the "U" codes found, the technician called ALLDATA Tech-Assist for some guidance.
Aug. 31, 2020
Alldata Black 56dde4a32926a 5ed956a06d4f5 5eda75527d534
When replacing the alternator didn't fix the problem, the technician called ALLDATA Tech-Assist for some insight.
Aug. 31, 2020
Featureoldcar Post
Drivers are holding on to cars and trucks longer during the coronavirus pandemic.
Aug. 31, 2020
Alldata Black 56dde4a32926a 5ed956a06d4f5
After connecting a scan tool and finding no diagnostic trouble codes, the technician called ALLDATA Tech-Assist for some advice on how to make the fix.
June 5, 2020
Alldata Black 56dde4a32926a
A customer brought his Mini Cooper to the shop because the malfunction indicator light was on. The problem was a bad catalytic converter. After the converter was replaced, the...
June 5, 2020
Alldata Black 56dde4a32926a 5ed956a06d4f5
After the technician found no diagnostic trouble codes and verified that there was no battery power to the passenger low and high beam headlights, he called ALLDATA Tech-Assist...
June 5, 2020
Coils Post
Diagnosing coil-on-plug ignitions.
June 5, 2020
None of the power door locks were functioning -- at first, it was just one door, then another, then another until none of them were working.
Sept. 12, 2019
The truck was towed to the shop because, while holding the key in the start position, the starter would begin cranking the engine over, then stop cranking before the engine started...
Sept. 12, 2019
Photo from alldata.com
Tt Wirediagram Mercedeskey
The 2004 Mercedes Benz S 430 was towed in because the key would not turn on the electronic ignition switch.
Sept. 11, 2019
Photo from alldata.com
Dieselfuel 91930020 Post
The microbial contamination of diesel fuels.
Sept. 11, 2019
The vehicle was brought to the shop because the HVAC would only blow through the floor vents.
July 2, 2019
Photo from alldata.com
13 Town And Country Phaser
This vehicle came in with the malfunction indicator light on, and no apparent drivability issues.
July 2, 2019
Photo from alldata.com
Camry Wiring
The vehicle was towed in for a crank in a no-start condition.
July 2, 2019
Tech Assist Pr Image 344 Kb
The Tech-Assist program is staffed by ASE-certified master technicians, and is now available seven days a week with live video-streaming.
Feb. 27, 2018
The agreement enables Autologic to distribute ALLDATA Repair to its customers, which helps ensure independent workshops have access to OEM diagnostic and repair information needed...
Feb. 8, 2018
Alldata Diagnostics 102617
ALLDATA Diagnostics gives techs the flexibility to perform scan tool functions directly on a tablet from whatever location in or around the vehicle best suits their needs.
Nov. 7, 2017
Hilite Trace (1)
The platform now offers more data, improved search and faster navigation, according to the company.
Oct. 3, 2017
The AAMCO Management System will be rolled out to all of AAMCO’s nearly 700 franchise locations starting in 2016.
Nov. 10, 2015
Alldata, LLC, the leading provider of manufacturers' automotive repair information and solutions for the professional automotive service and collision repair industries, today...
July 23, 2015
Alldata LLC, has launched Alldata Community, an interactive, highly-responsive environment for technicians to use to help diagnose and repair vehicles faster.
July 17, 2014
1) Alldata Repair Information
VIN number will automatically pull up key vehicle information.
April 2, 2014
The Equipment and Tool Institute announced 2011-2012 officers and new directors.
March 11, 2014
The Equipment and Tool Institute announced 2011-2012 officers and new directors.
March 11, 2014
Figure 7: The more information, the better. Here paper manuals are organized for quick reference. Among the more popular paper manuals are Mitchell 1's TPMS reset quick-reference manual and Autodata's manuals on relearns and other procedures, both visible in this picture.
Different information systems contain what you need to know to diagnose vehicles.
July 5, 2013
Bleeding the brakes with a brake flush machine. Notice that a battery is not directly on the floor. This is in accordance with EPA regulations in order to prevent fines. For more information on the Flo-Dyamics BrakeMate Jr. check out VehicleServicePros.com/10106064.
Prevent brake comebacks with the right tools and proper procedures.
May 2, 2013