2009 GM valve body changes
For the 2009 model year, there are several changes to the 4L60E, 4L65E and 4L70E transmissions. This affects 2009 Chevrolet Avalanche, Colorado, Express, Silverado, Tahoe, TrailBlazer and TrailBlazer SS; GMC Canyon, Envoy, Envoy Denali, Savanna, Sierra, Yukon and Saab 9-7X models.
The valve body casting has been changed and will not back-service due to the removal of the pressure switch manifold (PSM) and the control solenoid and valve line up.
A new internal mode switch (IMS) has been added and the PSM has been deleted. Do not reuse the roll pin that retains the IMS to the manual shaft. Do not remove the C-clip from the IMS (this will damage the part). The manual shaft has been redesigned to accommodate the IMS.
The actuator rod is a new design and will back-service. It features a flat on the rod to accommodate the IMS.
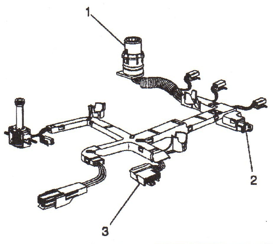
The wiring harness has been changed and now has the temperature sensor in the harness with a gray connector. Both the 20-way connector and the six-pin connector for the IMS are now blue in color.
The following are new DTCs that have been added for the IMS:
* P1820 (internal mode switch A circuit low voltage).
* P1822 (internal mode switch B circuit high voltage).
* P1823 (internal mode switch P circuit low voltage).
* P1825 (internal mode switch invalid range).
* P1826 (internal mode switch C circuit high voltage).
* P1915 (internal mode switch does not indicate Park/Neutral (P/N) during start).
