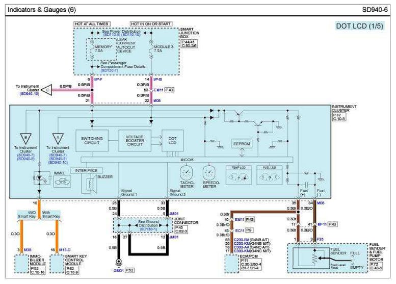
This bulletin applies to 2014 Kia Forte vehicles. The system may set DTC P0461A (fuel level sensor “A” circuit range performance).
First, check the fuel sender connector to make sure it’s fully seated. Then check for backed-out pins in connectors EM11, EC11, MF11 (see diagram). Also inspect the PCM and cluster connections. If OK, perform DTC troubleshooting.
About the Author
Information courtesy of Mitchell 1
Information for Technical Service Bulletins comes from ProDemand, Mitchell 1's auto repair information software for domestic and import vehicles. Headquartered in San Diego, Mitchell 1 has provided quality repair information solutions to the automotive industry since 1918.
Mike Mavrigian
Motor Age Editor
Mike Mavrigian has written thousands of automotive technical magazine articles involving a variety of specialties, from engine building to wheel alignment, and has authored more than a dozen books that crisscross the automotive spectrum. Mike operates Birchwood Automotive, an Ohio shop that builds custom engines and performs vintage vehicle restorations. The shop also features a professional photo studio to document projects and to create images for articles and books.

