Mazda MIL: What's the angle?
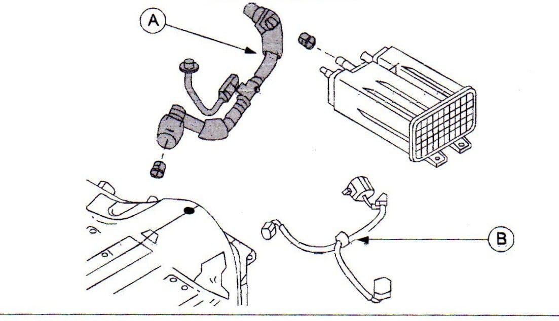
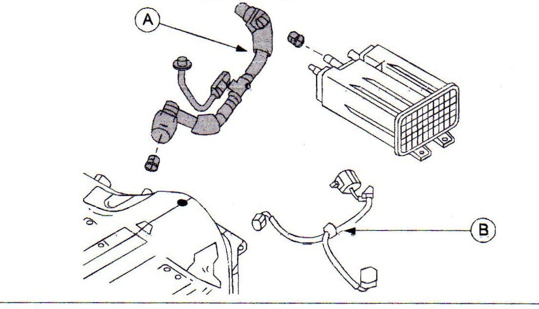
Some 2012 Mazda vehicles with VINs lower than JM1CW******138553 (produced before April 10, 2012) may experience a MIL on with DTC P-451:00 (fuel tank pressure sensor range/performance problem) stored in memory. This is caused by foreign material adhering to the fuel tank pressure (FTP) sensor. To prevent this from happening, the installation angle of the FTP sensor has been changed.
REPAIR PROCEDURE
- Verify the customer concern.
- Disconnect the negative battery cable.
- Raise the vehicle on a lift.
- Remove the original evaporation hose assembly and short cord and discard the,. Refer to MS3 online instructions or workshop manual section 01-16 CHARCOAL CANISTER REMOVAL/INSTALLATION.
- Install the modified evaporation hose assembly (with FTP sensor) and short cord.
- Lower the vehicle.
- Connect the negative battery cable.
- Clear the DTC stored in the PCM.
- Verify the repair.
PARTS INFORMATION
Evaporation hose assembly with FTP sensor…..CG36-42-580A
Short cord…………………………………………...L5E1-18-791A
