Mazda Modification
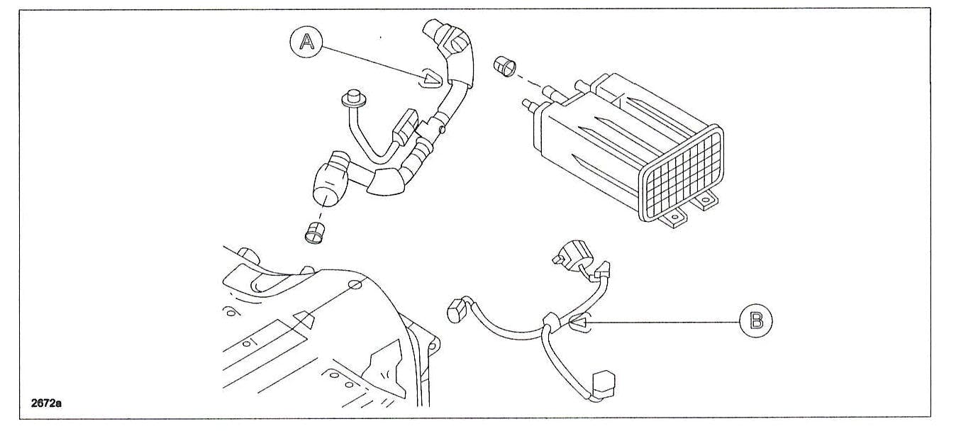
Some 2012 Mazda5 vehicles produced before April 10, 2012, may experience the MIL on with DTC P0451:00 stored in memory. This is caused by foreign material adhering to the fuel tank pressure (FTP) sensor. To prevent this from happening, the installation angle of the FTP sensor has been changed.
1. Disconnect the negative battery cable and raise the vehicle on a lift.
2. Remove the original evaporation hose assembly and short cord and discard.
3. Install the modified evaporation hose assembly (with FTP sensor) and short cord.
4. Lower the vehicle and reconnect the negative battery cable.
5. Clear the DTC stored in the PCM and verify the repair.
P/NÂ Â Â Â Â Â Â Â Â Â Â Â Â Â Â Â Â Â Â Â Â Â Â Â Â Â Â Â ITEM
CG36-42-580A………Evaporation hose assembly with FTP sensor
L5E1-18-791A……….Short cord
