Case Study: F-350 with multiple warning lamps on, multiple U-codes set
Vehicle: 2017 Ford F-350, 4WD, Super Duty, V8-6.2L, automatic transmission/transaxle
Mileage: 135,562
Problem: The driver of this snowplow Ford F-350 complained that multiple warning lamps were on, such as the brake light, ABS and malfunction indicator light (MIL).
Case details: The tech scanned for diagnostic trouble codes (DTCs) and found the following codes:
- U0100:00 - Lost Communication with Engine Control Module (ECM)
- U0140:00 - Lost Communication with Body Control Module (BCM)
- U0151:00 - Lost Communication with Restraints Control Module (RCM)
- U0155:00 - Lost Communication with Instrument Panel Cluster (IPC)
- U0402:68 - Invalid Data Received from Transmission Control Module (TCM)
- U3013:16 - Body Control Module (BCM) Input Power "C" Circuit Voltage Below Threshold
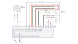
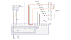
After looking at a wiring diagram, he inspected for harness damage in the driver's kick panel area since both HS2-CAN circuits (VDB25, VDB26) were affected. He found broken wires in the harness.
Confirmed repair: The technician repaired the wiring and cleared the DTCs. He verified that all warning lamps were off and went for a test drive. No DTCs returned. Fixed!
Reprinted with permission from ALLDATA.
About the Author

Richard Diegle
Senior Automotive Editor for ALLDATA
Rich Diegle has been in the automotive industry since 1978. After graduating from a local community college, he began working at a Nissan dealership as a used car technician. Since then, he’s worked as a Nissan and ASE master automotive technician, shop owner, marketing copywriter, automotive editor, public relations manager, instructor, ALLDATA Tech-Assist team manager, and a senior automotive editor.

