| | | | | | Prompted by HEVs, PHEVs and electric vehicles, the use of electric compressors offers distinct advantages. |
|
|
|
| |
|
|
|
| | | | Tire-to-wheel match mounting is an effort to minimize the effects of either imbalance or radial force variation (RFV). |
|
|
|
| |
|
|
|
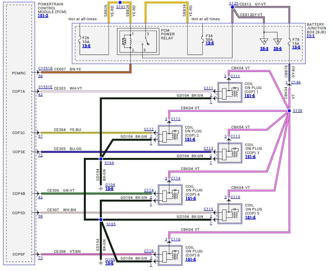
| | | | Many times driveability symptoms surface without associated DTCs. |
|
|
| | What once was known as HVAC is so much more. |
|
|
|
| |
|
|
|
| | | | | Motor Age August 2024
Your August 2024 issue of Motor Age is now available online. View >>
SUBSCRIBE to more leading edge content from our digital edition! |
|
| |
| | |
|
|
| | |
|
| | |
|